logo
Отправить сообщение
Дом
Продукты
О нас
Путешествие фабрики
Проверка качества
Свяжитесь мы
Отправить запрос
Новости
Zhengzhou Great Electric Co.,Ltd.
Главная страница ПродукцияСуд теста метра

Серийное испытательное оборудование счетчика воды соединения Semi автоматическое

Китай Zhengzhou Great Electric Co.,Ltd. Сертификаты
Оставьте нам сообщение

Серийное испытательное оборудование счетчика воды соединения Semi автоматическое

Serial Connection Water Meter Test Equipment Semi Automatic
Serial Connection Water Meter Test Equipment Semi Automatic Serial Connection Water Meter Test Equipment Semi Automatic Serial Connection Water Meter Test Equipment Semi Automatic

Большие изображения :  Серийное испытательное оборудование счетчика воды соединения Semi автоматическое

Подробная информация о продукте:
Место происхождения: Китай
Фирменное наименование: HNMC
Номер модели: LJS15-25
Оплата и доставка Условия:
Количество мин заказа: 1
Цена: negotiable
Упаковывая детали: Деревянный пакет
Время доставки: 4-8weeks
Условия оплаты: L/C, T/T, западное соединение, MoneyGram
Поставка способности: 10 наборов в месяц
Подробное описание продукта
Размер метра теста: DN15-25 Положения метра: 8нос
Режим деятельности: Полуавтоматный Точность: 0,2%
Размер: 4400*1860*2200 Номер метра: DN15×8, DN20×5, DN25×4,
бак для хранения: ³ 3м Танк давления: ³ 0.5м
Выделить:

испытательное оборудование счетчика воды 3m3

,

Испытательное оборудование счетчика воды DN25

,

8 mte метров испытательного оборудования метра

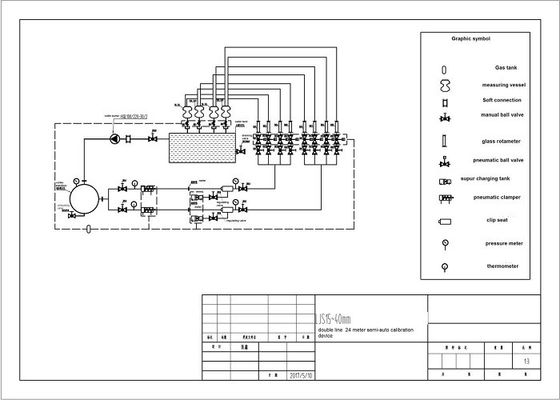
DN15/25 8 метров стенда теста счетчика воды серийного соединения полуавтоматного

 

Стенд теста счетчика воды (руководство)
Калибр 15-25
Модель Последовательно Тест
Размер (mm) 4400*1860*2200
Номер метра DN15×8, DN20×5, DN25×4, Одиночный
Стеклянный ротаметр DN15/25/50/80 DN15/25
Сосуд 10L/20L 100L/500L 10L/20L 100L/500L
Класс 0,20% 0,20%
Ряд подачи ³ /h ³ /h~40m 0.016m ³ /h ³ /h~40m 0.016m
Опционный
Насос ³ /h H=50m N=15Kw Q=50m ³ /h H=50m N=15Kw Q=50m
Бак для хранения ³ 3m ³ 3m
Танк давления ³ 0.5m ³ 0.5m
Давлени-плотный тест 0-2MPa 0-2MPa
Уровень Liquied светоэлектрический DC5V, 4 DC5V, 4
Регулятор светоэлектрических датчиков Получите светоэлектрические сигнал и модулирующую лампу Получите светоэлектрические сигнал и модулирующую лампу

 

DN15/25

8 метров стенда теста счетчика воды серийного соединения полуавтоматного

 

Список конфигурации

Старший. Деталь спецификация начало Qty.
1 клапан дна конденсатора и дренажа работы нержавеющая сталь 66L s (2mm) НИНБО 1set
2 Стеклянный ротаметр LZB-15S НИНБО 1pcs
LZB-25S 1pcs
3 Держатель метра Нержавеющая сталь DN25 S=80mm MINGTAI 1set
4 Прямая труба DN15×8, DN20×6, труба ≥2D метра DN25×5 прямая, (стена thickness3.5mm) MINGTAI 1set
5 Таблица и аксессуары деятельности Шкаф таблицы деятельности, шкаф, соединяет трубу, фланец, загиб etc локтя. MINGTAI 1 набор
6 Модуль высокоскоростной фотографии MTSX-1 MINGTAI набор 10
7 ПК

2.8G или лучшее /1G/160G/

20' экран LCD

HUNTKEY 1 набор
8 программное обеспечение Качественное программное обеспечение способа испытания MINGTAI 1 набор
9 Распределительный ящик Исключительная польза для качественного способа испытания MINGTAI 1set
10 Регулятор связи Исключительная польза для качественного способа испытания MINGTAI 1set
11 Прибор спокойного течения (фильтрация) 500L MINGTAI 1set
12 Датчик давления 0-2.5MPa МАЙК набор 2
13 Датчик температуры 0-50℃ МАЙК 1set
14 Давление сохраняя компоненты клапана P≥2MPa MINGTAI 1set
15 насос ³ /h H=50m N=3Kw Q=6.3m НА ЮГ 1 набор
16 танк 1000L MINGTAI 1set
17 датчик 3KW MISUBISHI 1 набор
18 Компрессор воздуха 0,05 m3/min-0.8 AOTUSI 1 набор
19 Труба водоснабжения Толщина стены 3.5mm или лучшее MINGTAI 1 набор

 

Серийное испытательное оборудование счетчика воды соединения Semi автоматическое 0

 

 

 

 

Контактная информация
Zhengzhou Great Electric Co.,Ltd.

Контактное лицо: Mr. Tony Han

Телефон: 86-15237157117

Факс: 86-371-55692730

Оставьте вашу заявку (0 / 3000)

Другие продукты